WIFI Deurbel combineren met gong
-
Robert Ford
- Elite Poster

- Berichten: 1517
- Lid geworden op: 12 nov 2005, 18:54
- Uitgedeelde bedankjes: 102 keer
- Bedankt: 101 keer
Beste UB'ers,
Van elektriciteit heb ik jammer genoeg niet veel kaas gegeten. Ik heb recent een nieuwe wifi deurbel gekocht en ik zou deze graag combineren met een gong van Honeywell. Beide apparaten hebben AC nodig, enkel het voltage is verschillend. Ik kan de gong dus zomaar niet koppelen in het circuit van de deurbel + voeding.
Dit is het schema van de deurbel.
Ik heb een 24VAC voeding aangesloten en wil dus de Honeywell gong er tussen plaatsen. Echter, deze heeft 12VAC nodig.
Met batterijen kan je ze ook voeden en dan ziet het schema er zo uit.
Op de achterzijde van de deurbel zijn er 2 contactpunten, als je geen gong aansluit moet er een weerstand tussen geplaatst worden.
Als de wifi deurbel aangesloten is op de 24VAC voeding met weerstand en ik meet door met de multimeter, hoor ik een soort ruis ipv de normale piep (bij contact). Als ik vervolgens op de deurbel druk, hoor je een klein kort piepje. Ik hoop dat dit kort contact genoeg is om verder te kunnen?
Een vriend sprak me aan om er een 24VAC relais tussen te plaatsen. Is dit de enige (goeie) manier? Kan iemand me helpen met een schema op te stellen zodat ik eens kan testen? Alvast bedankt!
Van elektriciteit heb ik jammer genoeg niet veel kaas gegeten. Ik heb recent een nieuwe wifi deurbel gekocht en ik zou deze graag combineren met een gong van Honeywell. Beide apparaten hebben AC nodig, enkel het voltage is verschillend. Ik kan de gong dus zomaar niet koppelen in het circuit van de deurbel + voeding.
Dit is het schema van de deurbel.
Ik heb een 24VAC voeding aangesloten en wil dus de Honeywell gong er tussen plaatsen. Echter, deze heeft 12VAC nodig.
Met batterijen kan je ze ook voeden en dan ziet het schema er zo uit.
Op de achterzijde van de deurbel zijn er 2 contactpunten, als je geen gong aansluit moet er een weerstand tussen geplaatst worden.
Als de wifi deurbel aangesloten is op de 24VAC voeding met weerstand en ik meet door met de multimeter, hoor ik een soort ruis ipv de normale piep (bij contact). Als ik vervolgens op de deurbel druk, hoor je een klein kort piepje. Ik hoop dat dit kort contact genoeg is om verder te kunnen?
Een vriend sprak me aan om er een 24VAC relais tussen te plaatsen. Is dit de enige (goeie) manier? Kan iemand me helpen met een schema op te stellen zodat ik eens kan testen? Alvast bedankt!
-
AfAX
- Premium Member

- Berichten: 525
- Lid geworden op: 01 dec 2011, 20:01
- Uitgedeelde bedankjes: 35 keer
- Bedankt: 36 keer
Bij mijn Ring Doorbell Pro moest er een power kit tussen (https://support.ring.com/hc/en-us/artic ... g-Doorbell), en hiermee werkte mijn vroegere mechanische bel. Heb geen idee wat er technisch in of achter zit.
-
Robert Ford
- Elite Poster

- Berichten: 1517
- Lid geworden op: 12 nov 2005, 18:54
- Uitgedeelde bedankjes: 102 keer
- Bedankt: 101 keer
Bedankt voor je reactie maar ik zie niet hoe dit hier ter zake doet? 
-
SpecialK
- Elite Poster

- Berichten: 1695
- Lid geworden op: 22 mei 2013, 09:04
- Uitgedeelde bedankjes: 3 keer
- Bedankt: 150 keer
- Recent bedankt: 1 keer
Een relais is idd veruit de makkelijkste manier. Let wel op dat je een relais koopt die voor wisselspanning geschikt is; een relais voor 24V gelijkspanning krijg je niet aangetrokken met wisselspanning.
Deze is bv makkelijk omdat die schroefjes heeft. Maar je kan er uiteraard ook één kopen die je moet solderen, of met vlakstekkers.
https://www.conrad.be/ce/nl/product/503236
Het relais heeft 4 (soms 5 maar dan heb je er één niet nodig) aansluitingen.
De stuurkring (bij bovenstaand relais is dat A1 en A2) sluit je aan op de plaats waar je in jouw bovenste tekening de mechanical chime zou aansluiten. Op de wifi deurbel dus. Welke draad je op A1 en welke op A2 aansluit maakt niet uit.
Bij de bel zelf sluit je de vermogenkring (1 en 2 op het voorgestelde relais) aan op de plaats waar je in het schema van Honeywell een belknop zou plaatsen; de relais vervangt dus bv drukschakelaar A. En drukschakelaar B is er in jouw geval niet. Opnieuw maakt het niet uit welke draad je waar steekt. Of je de Honeywell bel op batterij voedt of niet maakt ook niet uit, je moet in beide gevallen de contacten van de relais in de plaats van belknop A aansluiten.
Deze is bv makkelijk omdat die schroefjes heeft. Maar je kan er uiteraard ook één kopen die je moet solderen, of met vlakstekkers.
https://www.conrad.be/ce/nl/product/503236
Het relais heeft 4 (soms 5 maar dan heb je er één niet nodig) aansluitingen.
De stuurkring (bij bovenstaand relais is dat A1 en A2) sluit je aan op de plaats waar je in jouw bovenste tekening de mechanical chime zou aansluiten. Op de wifi deurbel dus. Welke draad je op A1 en welke op A2 aansluit maakt niet uit.
Bij de bel zelf sluit je de vermogenkring (1 en 2 op het voorgestelde relais) aan op de plaats waar je in het schema van Honeywell een belknop zou plaatsen; de relais vervangt dus bv drukschakelaar A. En drukschakelaar B is er in jouw geval niet. Opnieuw maakt het niet uit welke draad je waar steekt. Of je de Honeywell bel op batterij voedt of niet maakt ook niet uit, je moet in beide gevallen de contacten van de relais in de plaats van belknop A aansluiten.
-
Robert Ford
- Elite Poster

- Berichten: 1517
- Lid geworden op: 12 nov 2005, 18:54
- Uitgedeelde bedankjes: 102 keer
- Bedankt: 101 keer
Zou het zo ongeveer kloppen dan?SpecialK schreef:Een relais is idd veruit de makkelijkste manier.
-
Robert Ford
- Elite Poster

- Berichten: 1517
- Lid geworden op: 12 nov 2005, 18:54
- Uitgedeelde bedankjes: 102 keer
- Bedankt: 101 keer
Het lijkt toch niet te werken.. Van zodra ik spanning geef begint de gong te bellen en lijkt de wifi bel in een soort opstartprobleem te verzeilen..SpecialK schreef:Ja, dat is het! Simpel toch he
Je hoort de relais aantrekken en de wifi bel begint te flippen, de drukknop op de wifi bel heeft een led die angstig begint te knipperen en de IR leds ook.
https://www.dropbox.com/s/81pt9q1x8a0as ... 8.mp4?dl=0
Als ik de circuit loskoppel, kan ik de gong perfect bedienen met de manuele knop op de finder relais. Ook start mijn wifi deurbel op zonder problemen.
Nog iemand enig advies hoe dit werkende te krijgen?
-
FlashBlue
- Erelid

- Berichten: 2114
- Lid geworden op: 20 jan 2006, 21:08
- Locatie: Gent
- Uitgedeelde bedankjes: 1022 keer
- Bedankt: 296 keer
post eens de volledige handleiding en type van je wifi deurbel...
momenteel: Als ik je posts goed interpreteer, staat er duidelijk "mechanical chime", en uit het (heel summiere) schema leid ik af dat je deurbel dan in serie staat met de spoel van je bel. (mechanische gong is meestal 2 geluidsplaten met een plunjer ertussen die door de spoel aangetrokken is)
Which makes sense, want het verbruik van je wifi deurbel is laag genoeg om de spoel niet te laten opwarmen of plunjer te laten bewegen, net zoals vroeger het klassieke lampje in beldrukknop buiten aan de deur...
èchter... Een miniatuurrelais heeft een veel kleinere aantrekstroom dan een good old elektromagnetische plunjer. En ik gok dat je deurbel zijn verbruik over de minimum aantrekstroom van je relaisspoel gaat, waardoor dat aantrekt zodra je deurbel aangesloten is. Dus je bel belt - permanent.
En dat heeft blijkbaar - for some reason - een raar effect op je wifi deurbel. spanning die te ver zakt oid, wie zal het zeggen...
Het is maar een vermoeden, want eigenlijk iets te weinig info, maar ik denk dat je in die richting gaat moeten zoeken...
momenteel: Als ik je posts goed interpreteer, staat er duidelijk "mechanical chime", en uit het (heel summiere) schema leid ik af dat je deurbel dan in serie staat met de spoel van je bel. (mechanische gong is meestal 2 geluidsplaten met een plunjer ertussen die door de spoel aangetrokken is)
Which makes sense, want het verbruik van je wifi deurbel is laag genoeg om de spoel niet te laten opwarmen of plunjer te laten bewegen, net zoals vroeger het klassieke lampje in beldrukknop buiten aan de deur...
èchter... Een miniatuurrelais heeft een veel kleinere aantrekstroom dan een good old elektromagnetische plunjer. En ik gok dat je deurbel zijn verbruik over de minimum aantrekstroom van je relaisspoel gaat, waardoor dat aantrekt zodra je deurbel aangesloten is. Dus je bel belt - permanent.
En dat heeft blijkbaar - for some reason - een raar effect op je wifi deurbel. spanning die te ver zakt oid, wie zal het zeggen...
Het is maar een vermoeden, want eigenlijk iets te weinig info, maar ik denk dat je in die richting gaat moeten zoeken...
© De Morgen: Geachte taalnazi's, deradicaliseer een beetje.
-
Robert Ford
- Elite Poster

- Berichten: 1517
- Lid geworden op: 12 nov 2005, 18:54
- Uitgedeelde bedankjes: 102 keer
- Bedankt: 101 keer
Het gaat om een Hikvision DS-KB6003-WIP. Jammer genoeg is de datasheet even summier als het schema..FlashBlue schreef:post eens de volledige handleiding en type van je wifi deurbel...
De gong die ik wil gebruiken is een Honeywell DW315S
http://livewell.honeywell.com/honeywell ... _Rev.B.pdf
http://www.hikvision.com//uploadfile/im ... 170519.pdf
http://www.hikvision.com//uploadfile/im ... 170726.pdf
Ik probeer een beetje te volgen in je uitleg maar kennis elektriciteit = zo goed als zero
Ik had SpecialK zijn uitleg ook voorgelegd aan een kameraad en die zag er ook geen problemen in.. Ik blijf wel graag zoeken naar een manier om beide te combineren want ben lang op zoek geweest en deze 2 producten zijn beide ideaal. Die wifi deurbel kan alles wat ik wil en de Honeywell heeft een strobo-led en halo...
Zou er toch geen manier zijn om dit werkende te krijgen? Die relais koste me al 20€ haha
-
FlashBlue
- Erelid

- Berichten: 2114
- Lid geworden op: 20 jan 2006, 21:08
- Locatie: Gent
- Uitgedeelde bedankjes: 1022 keer
- Bedankt: 296 keer
ik zal even proberen verduidelijken.
Mechanische "gong" bel traditionele werking:
Een traditionele gong deurbel bestaat meestal in de basis uit 4 dingen : 2 metalen platen van elk andere afmeting (dus andere toonhoogte). Daartussen een elektromagneet met in het midden een metalen pen, die door een veer tegen 1 plaat gedrukt is. (Rustpositie)
Je beldrukknop buiten bestaat meestal uit een simpele schakelaar, met een lampje. Om te vermijden dat er meer dan twee draden naar je belknop moeten, staat dat lampje "over" de schakelaar. Waardoor het lampje "in serie" staat met de spoel, en altijd brand. Het lampje laat echter te weinig stroom door om de elektromagneet in de gong (hierboven) te activeren.
Als je op de drukknop duwt, overbrugt die het lampje, en gaat je volledige spanning op de elektromagneet komen te staan, waardoor die aantrekt en de metalen pen tegen de andere plaat slaat "DING". laat je de belknop los, duwt de veer de metalen pen terug tegen de rustpositieplaat "DONG".
Jouw wifi deurbel bedoelde werking:
Bedoeld om ook simpelweg een traditionale belknop te kunnen vervangen, door op zelfde plek in circuit aan te sluiten.
Heeft intern wellicht een circuit dat het traditionele "lampje overbruggen" nadoet. Hij trekt net zoals het lampje een lage stroom door de spoel van de elektromagneet in de mechanische gong.
Die lage stroom is genoeg om de deurbel te laten werken. Net zoals het lampje vroeger. Als er iemand aanbelt zal je deurbel wellicht een hogere stroom doorlaten, waardoor de elektromagneet wèl aantrekt (zoals als je drukknop vroeger het lampje overbrugde), en je gong, ding-dong't.
Wat er volgens mij misgaat:
Het relais zijn spoel heeft ook een minimum "aantrekstroom" (ok infeite aantrekspanning, maar soit), zijnde de minimum benodigde stroom om voldoende magnetisme op te wekken om het relais te laten schakelen.
Echter is dat spoeletje veel kleiner dan de spoel in een klassieke mechanische gong, dus ook een veel kleinere stroom nodig.
Mijn theorie is dat de stroom die je wifi deurbel opneemt, genoeg is om het relaistje te activeren, en hierdoor je gong te activeren. (in je filmpje hoor ik het relais precies ook schakelen)
Waarom je wifi deurbel op zich dan zo raar doet - niet direct een zicht op, maar het kan goed zijn dat hij gewoon in een bootloop komt oid, omdat zijn ingangsspanning rare dingen doet door dat relais dat ertussen zit.
Soit, dit is allemaal puur gebaseerd op je uitleg en hoe ik vermoed dat die wifi deurbel in elkaar zit - gezien de belachelijk weinige info die ze geven in hun eigen handleiding is het geen zekerheid.
Een oplossing heb ik zo 123 niet... lastig ook omdat ik me puur baseer op giswerk...
Mechanische "gong" bel traditionele werking:
Een traditionele gong deurbel bestaat meestal in de basis uit 4 dingen : 2 metalen platen van elk andere afmeting (dus andere toonhoogte). Daartussen een elektromagneet met in het midden een metalen pen, die door een veer tegen 1 plaat gedrukt is. (Rustpositie)
Je beldrukknop buiten bestaat meestal uit een simpele schakelaar, met een lampje. Om te vermijden dat er meer dan twee draden naar je belknop moeten, staat dat lampje "over" de schakelaar. Waardoor het lampje "in serie" staat met de spoel, en altijd brand. Het lampje laat echter te weinig stroom door om de elektromagneet in de gong (hierboven) te activeren.
Als je op de drukknop duwt, overbrugt die het lampje, en gaat je volledige spanning op de elektromagneet komen te staan, waardoor die aantrekt en de metalen pen tegen de andere plaat slaat "DING". laat je de belknop los, duwt de veer de metalen pen terug tegen de rustpositieplaat "DONG".
Jouw wifi deurbel bedoelde werking:
Bedoeld om ook simpelweg een traditionale belknop te kunnen vervangen, door op zelfde plek in circuit aan te sluiten.
Heeft intern wellicht een circuit dat het traditionele "lampje overbruggen" nadoet. Hij trekt net zoals het lampje een lage stroom door de spoel van de elektromagneet in de mechanische gong.
Die lage stroom is genoeg om de deurbel te laten werken. Net zoals het lampje vroeger. Als er iemand aanbelt zal je deurbel wellicht een hogere stroom doorlaten, waardoor de elektromagneet wèl aantrekt (zoals als je drukknop vroeger het lampje overbrugde), en je gong, ding-dong't.
Wat er volgens mij misgaat:
Het relais zijn spoel heeft ook een minimum "aantrekstroom" (ok infeite aantrekspanning, maar soit), zijnde de minimum benodigde stroom om voldoende magnetisme op te wekken om het relais te laten schakelen.
Echter is dat spoeletje veel kleiner dan de spoel in een klassieke mechanische gong, dus ook een veel kleinere stroom nodig.
Mijn theorie is dat de stroom die je wifi deurbel opneemt, genoeg is om het relaistje te activeren, en hierdoor je gong te activeren. (in je filmpje hoor ik het relais precies ook schakelen)
Waarom je wifi deurbel op zich dan zo raar doet - niet direct een zicht op, maar het kan goed zijn dat hij gewoon in een bootloop komt oid, omdat zijn ingangsspanning rare dingen doet door dat relais dat ertussen zit.
Soit, dit is allemaal puur gebaseerd op je uitleg en hoe ik vermoed dat die wifi deurbel in elkaar zit - gezien de belachelijk weinige info die ze geven in hun eigen handleiding is het geen zekerheid.
Een oplossing heb ik zo 123 niet... lastig ook omdat ik me puur baseer op giswerk...
© De Morgen: Geachte taalnazi's, deradicaliseer een beetje.
-
blaatpraat
- Elite Poster

- Berichten: 1421
- Lid geworden op: 10 jan 2014, 12:09
- Uitgedeelde bedankjes: 34 keer
- Bedankt: 114 keer
- Recent bedankt: 1 keer
Sluit kabel "2" van relais die nu aan de gong op A2 zit eens aan op de 0 van de transfo.
Volgens het initiële schema dien je A2 enkel te gebruiken bij batterijen.
En/of:
Om geen spanningsdeling te hebben, zal je deze wel in parallel moeten plaatsen, niet in serie, met de relais.
Volgens het initiële schema dien je A2 enkel te gebruiken bij batterijen.
En/of:
Sluit de weerstand eens aan. Een relais heeft een andere weerstand dan een gong (zie FlashBlue).Op de achterzijde van de deurbel zijn er 2 contactpunten, als je geen gong aansluit moet er een weerstand tussen geplaatst worden.
Om geen spanningsdeling te hebben, zal je deze wel in parallel moeten plaatsen, niet in serie, met de relais.
Laatst gewijzigd door blaatpraat 06 jan 2018, 11:29, in totaal 3 gewijzigd.
-
SpecialK
- Elite Poster

- Berichten: 1695
- Lid geworden op: 22 mei 2013, 09:04
- Uitgedeelde bedankjes: 3 keer
- Bedankt: 150 keer
- Recent bedankt: 1 keer
Oh, als't dat maar is 
Als je een weerstand in parallel zet met de stuurspoel van het relais (A1 en A2) zou het opgelost moeten zijn. Dus de uiteinden van de weerstand steek je samen met de draadjes die van bel/transfo komen in aansluitingen A1 en A2 van het relais. Kant maakt opnieuw niet uit.
Op basis van de impedantie van het relais én het totale vermogen zou ik denken aan deze weerstand:
https://www.conrad.be/ce/nl/product/427 ... -W-1-stuks
De meeste elektronicawinkels (RATO bv) hebben die ook wel op voorraad, want ik geef toe dat het belachelijk is om één weerstandje bij Conrad te bestellen
Als je een weerstand in parallel zet met de stuurspoel van het relais (A1 en A2) zou het opgelost moeten zijn. Dus de uiteinden van de weerstand steek je samen met de draadjes die van bel/transfo komen in aansluitingen A1 en A2 van het relais. Kant maakt opnieuw niet uit.
Op basis van de impedantie van het relais én het totale vermogen zou ik denken aan deze weerstand:
https://www.conrad.be/ce/nl/product/427 ... -W-1-stuks
De meeste elektronicawinkels (RATO bv) hebben die ook wel op voorraad, want ik geef toe dat het belachelijk is om één weerstandje bij Conrad te bestellen
-
Robert Ford
- Elite Poster

- Berichten: 1517
- Lid geworden op: 12 nov 2005, 18:54
- Uitgedeelde bedankjes: 102 keer
- Bedankt: 101 keer
Ik heb hier thuis nog weerstanden liggen van 100ohm blijkbaar maar ik weet niet of deze ook geschikt zijn?SpecialK schreef:Oh, als't dat maar is
Op basis van de impedantie van het relais én het totale vermogen zou ik denken aan deze weerstand:
https://www.conrad.be/ce/nl/product/427 ... -W-1-stuks
De meeste elektronicawinkels (RATO bv) hebben die ook wel op voorraad, want ik geef toe dat het belachelijk is om één weerstandje bij Conrad te bestellen
-
SpecialK
- Elite Poster

- Berichten: 1695
- Lid geworden op: 22 mei 2013, 09:04
- Uitgedeelde bedankjes: 3 keer
- Bedankt: 150 keer
- Recent bedankt: 1 keer
Da's een 0,5W, die gaat niet voldoende vermogen kunnen opnemen op het moment dat de belknop wordt ingedrukt.
Als je er een aantal van een hogere weerstand hebt (bv 8 stuks van 1000 Ohm) en je zet die parallel lukt het ook wel. Maar die éne gaat volgens mij opbranden.
Op de foto staat trouwens een weerstand van 10 Ohm. Da's gegarandeerd vuurwerk
Als je er een aantal van een hogere weerstand hebt (bv 8 stuks van 1000 Ohm) en je zet die parallel lukt het ook wel. Maar die éne gaat volgens mij opbranden.
Op de foto staat trouwens een weerstand van 10 Ohm. Da's gegarandeerd vuurwerk
-
Robert Ford
- Elite Poster

- Berichten: 1517
- Lid geworden op: 12 nov 2005, 18:54
- Uitgedeelde bedankjes: 102 keer
- Bedankt: 101 keer
Er zat idd een weerstand in de doos.
Multimeter zegt dit:
Op een site van een rebranded versie van de wifi bel ook nog een uitleg gevonden over hoe een digitale bel aan te sluiten.
Digital Doorbell Chime Installation
A diode must be installed on the leads of the chime for proper operation. Simply wrap the ends of the supplied diode around the terminals on the doorbell chime. Connecting the diode in the wrong direction will not cause harm to either device, your doorbell will just not ring properly. If this is the case, simply reverse the direction of the diode and verify proper installation by ringing the doorbell.

https://knowledgebaseclarecontrols.atla ... +Doorbells
Multimeter zegt dit:
Op een site van een rebranded versie van de wifi bel ook nog een uitleg gevonden over hoe een digitale bel aan te sluiten.
Digital Doorbell Chime Installation
A diode must be installed on the leads of the chime for proper operation. Simply wrap the ends of the supplied diode around the terminals on the doorbell chime. Connecting the diode in the wrong direction will not cause harm to either device, your doorbell will just not ring properly. If this is the case, simply reverse the direction of the diode and verify proper installation by ringing the doorbell.
https://knowledgebaseclarecontrols.atla ... +Doorbells
-
Robert Ford
- Elite Poster

- Berichten: 1517
- Lid geworden op: 12 nov 2005, 18:54
- Uitgedeelde bedankjes: 102 keer
- Bedankt: 101 keer
Als je er een aantal van een hogere weerstand hebt (bv 8 stuks van 1000 Ohm) en je zet die parallel lukt het ook wel.
Ik heb de 100Ohm 5W weerstand in huis gehaald zoals voorgesteld maar dit geeft toch nog steeds niet het gewenste resultaat.
https://www.dropbox.com/s/zjz85hott7d10 ... 9.mp4?dl=0
Elke keer als ik het circuit onder spanning zet, gaat de gong een eerste keer af zonder dat ik op de knop druk.
De wifi deurbel start wel mooi op en registreert op de servers van Hikvision. Ook als je op de knop drukt, trekt de relais samen en gaat de gong af. Echter hoor je bij elke audio boodschap vanuit de wifi deurbel een gezoem uit de relais komen. Het lijkt dan alsof de relais lichtjes samentrekt maar net niet genoeg om de gong te doen afgaan. Als ik mijn multimeter op de 2 contacten plaats meet een constante 25V spanning. Als de boodschappen afspelen merk ik geen drops in voltage.
Ook gebeurt het soms dat de wifi deurbel crashed na het indrukken van de knop. De gong belt wel maar dan crashed de wifi deurbel.
EDIT: net reactie gekregen van Hikvision:
That is actually quite clever approach but not sure it will work correctly. Here is why:
The Wi-fi doorbell is designed to replace traditional doorbells without changing cables by simply replacing the button with the wi-fi doorbell and the bell with another one working on the PSU voltage. Since it is connected on series with the bell it actually get its power through it which means that the bell needs to be electromechanical (with copper coil) and not electronical. If the light are blinking rapidly this means that therelay impedance is too big and there is not enough power going to the wi-fi doorbell. And another thing – when you press the button of the doorbell you actually short circuit the doorbell and give power to the bell, but that button can stay short term pressed and that si why the supported bell are ding/dong type.

Kan ik nog iets anders proberen?
Laatst gewijzigd door Robert Ford 12 jan 2018, 19:04, in totaal 2 gewijzigd.
- raf1
- Elite Poster

- Berichten: 6241
- Lid geworden op: 17 nov 2009, 22:39
- Uitgedeelde bedankjes: 276 keer
- Bedankt: 1972 keer
- Recent bedankt: 6 keer
Het probleem zou wel eens bij de EMAT beltrafo van 1 A kunnen liggen, in de handleiding van de Hikvision DS-KB6003-WIP worden transfo's aangeraden die tussen de 1,5 A en 2,5 A stroom kunnen leveren op 24 Volt:
http://www.szmacable.com/?c=msg&id=2160
http://www.szmacable.com/?c=msg&id=2065
http://www.szmacable.com/?c=msg&id=2067
Van de Honeywell DW315S weten we ook niet hoeveel stroom die precies verbruikt als er 85 dB geluid produceert.
http://www.szmacable.com/?c=msg&id=2160
http://www.szmacable.com/?c=msg&id=2065
http://www.szmacable.com/?c=msg&id=2067
Van de Honeywell DW315S weten we ook niet hoeveel stroom die precies verbruikt als er 85 dB geluid produceert.
-
SpecialK
- Elite Poster

- Berichten: 1695
- Lid geworden op: 22 mei 2013, 09:04
- Uitgedeelde bedankjes: 3 keer
- Bedankt: 150 keer
- Recent bedankt: 1 keer
Op het moment dat je de bel indrukt, meet dan de spanning over het relais eens. Het lijkt erop dat het de weerstand een te groot deel van de spanning opneemt waardoor het relais niet voldoende spanning krijgt. Maar dat is een beetje balanceren tussen een lage weerstand, dus weinig spanning over het relais, en een hoge weerstand, dus weinig stroom door de bel. Met een zeer hoge weerstand zitten we nl. terug bij het beginprobleem: de bel die continu in opstartloop zit. Ik dacht dat 100Ohm een goede gok was maar aan de hand van wat ik in de video zie is het misschien toch nog iets te weinig. Als je er toevallig twee moest hebben, zet dan eens een tweede weerstand van 100 Ohm mee in serie met de eerste.
-
Robert Ford
- Elite Poster

- Berichten: 1517
- Lid geworden op: 12 nov 2005, 18:54
- Uitgedeelde bedankjes: 102 keer
- Bedankt: 101 keer
Het blijft een interessant gegeven. Op aanraden van een kennis, heb ik de krokodilleklemmen er eens van tussen gehaald. Bij een eerste poging werkte alles vlekkeloos. Toch gaat de gong niet altijd af als je op de knop drukt. De capacitator die in mijn wifi deurbel zit, heeft wel even wat juice over maar de wifi deurbel laat blijkbaar niet toe om 2x kort na elkaar te drukken op de knopSpecialK schreef:Het lijkt erop dat het de weerstand een te groot deel van de spanning opneemt waardoor het relais niet voldoende spanning krijgt.
https://www.dropbox.com/s/oih3fudj88hpk ... 3.mp4?dl=0
ps: Kan ik ook nog iets doen aan het stille (irritante) gezoem dat uit de relais komt? Een hogere weerstand plaatsen?
-
SpecialK
- Elite Poster

- Berichten: 1695
- Lid geworden op: 22 mei 2013, 09:04
- Uitgedeelde bedankjes: 3 keer
- Bedankt: 150 keer
- Recent bedankt: 1 keer
Het lijkt idd alsof je op het randje van de specs balanceert. Een iets hogere weerstand (zet bv één van 22 of misschien 47 Ohm in serie met de bestaande) zal de stroom door het relais wat doen toenemen, maar tegelijkertijd de voeding van de bel een beetje verzwakken.
Los daarvan: de deurbel zelf kan toch wel twee keer kort na elkaar bediend worden? Dat kan je in deze opstelling simpel testen door zelf op de toets van het relais te drukken.
Los daarvan: de deurbel zelf kan toch wel twee keer kort na elkaar bediend worden? Dat kan je in deze opstelling simpel testen door zelf op de toets van het relais te drukken.
-
Robert Ford
- Elite Poster

- Berichten: 1517
- Lid geworden op: 12 nov 2005, 18:54
- Uitgedeelde bedankjes: 102 keer
- Bedankt: 101 keer
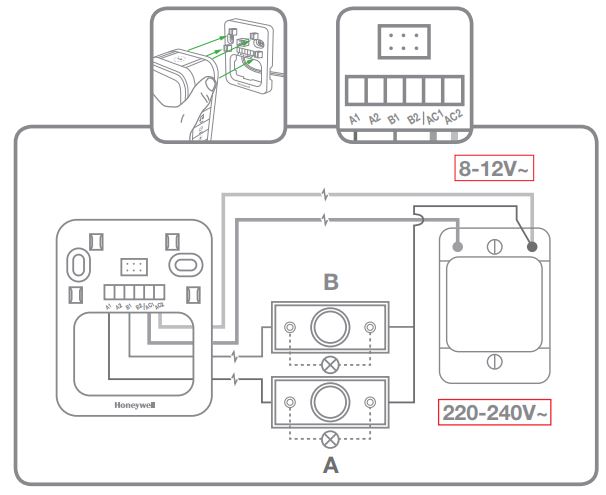
Ik heb een bijgewerkt schema gemaakt voor de duidelijkheid.SpecialK schreef:Dat kan je in deze opstelling simpel testen door zelf op de toets van het relais te drukken.
Wat werkt er:
- Wifi deurbel start op, is verbonden met wifi en servers van Hikvision
- Je drukt op de knop en mijn Honeywell belt
- Dan is het even wachten op de timeout van de wifi deurbel en je kan nog eens proberen bellen.
Wat werkt er niet:
- druk je op de knop van de relais zelf, dan crashed de wifi deurbel en herstart deze.
- als ik trouwens kabel A2 naar 2 van de relais losmaak, werkt de gong ook. Enkel de strobo en de halo niet. Dingdong dus wel
Filmpje:
https://www.dropbox.com/s/o828hxlnauj95 ... 4.mp4?dl=0
-
SpecialK
- Elite Poster

- Berichten: 1695
- Lid geworden op: 22 mei 2013, 09:04
- Uitgedeelde bedankjes: 3 keer
- Bedankt: 150 keer
- Recent bedankt: 1 keer
Dat kan eigenlijk niet; als je het relais manueel bekrachtigt gebeurt er in de groene kring helemaal niks dus de wifi deurbel weet dat zelfs niet. Je bent echt 100% zeker dat je het bekabeld hebt zoals hierboven staat he?Robert Ford schreef:- druk je op de knop van de relais zelf, dan crashed de wifi deurbel en herstart deze.
Dat is ook absoluut niet logisch. Als je één draad van de uitgang van het relais onderbreekt is het alsof er helemaal niks gebeurt, de Honeywell weet dan niet dat er een commando gestuurd wordt.Robert Ford schreef:- als ik trouwens kabel A2 naar 2 van de relais losmaak, werkt de gong ook. Enkel de strobo en de halo niet. Dingdong dus welHoe zou dit komen?
Het lijkt wel of die beltransformator zijn spanning inzakt als je de Honeywell bel aanspreekt en dat je daardoor rare effecten krijgt. Zou je evt de Honeywell eens met een andere 12V voeding kunnen voeden (voeding van een modem of Digicorder of zo)? Die Honeywell zal ook wel op 12V DC werken, zelfs al staat erop dat ze 12V AC moet hebben.
-
Robert Ford
- Elite Poster

- Berichten: 1517
- Lid geworden op: 12 nov 2005, 18:54
- Uitgedeelde bedankjes: 102 keer
- Bedankt: 101 keer
Ik heb besloten de gong eens te voeden met batterijen. Ik lijk al dichter bij een oplossing te komen.
Het lukt nu toch al meer om de wifi deurbel stabiel te krijgen. Echter, het aantrekken van de relais bij een druk op de knop geeft soms een verschillend resultaat. De ene keer kraakt de relais enorm lang, de andere keer vrij kort. Het is nu ook al eens voorgevallen dat de wifi deurbel reboot. Het lijkt alsof de relais de capacitator van de wifi deurbell volledig leegtrekt waardoor deze kortelings zonder stroom komt te zitten of er te weinig voltage door de wifi deurbel gaat.
Zou ik nog kunnen spelen met de weerstand? Het licht gezoem is ook nog steeds hoorbaar.
Wat ook bizar is: Ik bezoek de webinterface van de wifi deurbel via Internet Explorer en ineens gaat de gong af. De wifi deurbel reboot vervolgens
Idem als ik via de webinterface de plugin wil downloaden voor Internet Explorer, doet de relais aantrekken en de gong afgaan. De wifi deurbel reboot..
Het lukt nu toch al meer om de wifi deurbel stabiel te krijgen. Echter, het aantrekken van de relais bij een druk op de knop geeft soms een verschillend resultaat. De ene keer kraakt de relais enorm lang, de andere keer vrij kort. Het is nu ook al eens voorgevallen dat de wifi deurbel reboot. Het lijkt alsof de relais de capacitator van de wifi deurbell volledig leegtrekt waardoor deze kortelings zonder stroom komt te zitten of er te weinig voltage door de wifi deurbel gaat.
Zou ik nog kunnen spelen met de weerstand? Het licht gezoem is ook nog steeds hoorbaar.
Wat ook bizar is: Ik bezoek de webinterface van de wifi deurbel via Internet Explorer en ineens gaat de gong af. De wifi deurbel reboot vervolgens
Idem als ik via de webinterface de plugin wil downloaden voor Internet Explorer, doet de relais aantrekken en de gong afgaan. De wifi deurbel reboot..
- raf1
- Elite Poster

- Berichten: 6241
- Lid geworden op: 17 nov 2009, 22:39
- Uitgedeelde bedankjes: 276 keer
- Bedankt: 1972 keer
- Recent bedankt: 6 keer
Volgens mij moet je de handleidingen beter lezen:
1) 1,5 A à 2,5 A voeding op 24 V voor de Wifi deurbel
2) meegeleverde weerstand in serie schakelen als er geen klassieke bel wordt aangesloten
3) A2 van de Honeywell wordt uitsluitend aangesloten als je op batterijen dus DC werkt
Dan wordt dit het schema volgens mij:

1) 1,5 A à 2,5 A voeding op 24 V voor de Wifi deurbel
2) meegeleverde weerstand in serie schakelen als er geen klassieke bel wordt aangesloten
3) A2 van de Honeywell wordt uitsluitend aangesloten als je op batterijen dus DC werkt
Dan wordt dit het schema volgens mij:
-
Robert Ford
- Elite Poster

- Berichten: 1517
- Lid geworden op: 12 nov 2005, 18:54
- Uitgedeelde bedankjes: 102 keer
- Bedankt: 101 keer
Hmmm, het zou idd wel eens kunnen dat de wifi deurbel niet genoeg stroom kan trekken uit de voeding. Ik zal eens een zwaardere voeding bestellen.
Ik hou jullie op de hoogte!
Ik hou jullie op de hoogte!
-
Robert Ford
- Elite Poster

- Berichten: 1517
- Lid geworden op: 12 nov 2005, 18:54
- Uitgedeelde bedankjes: 102 keer
- Bedankt: 101 keer
Ik heb de zwaardere voeding binnen intussen maar ik twijfel nog om de 10ohm weerstand er tussen te plaatsen.
Wat is jouw advies over Raf zijn schema SpecialK?
Wat is jouw advies over Raf zijn schema SpecialK?
-
guidozwaard
- Starter

- Berichten: 2
- Lid geworden op: 22 feb 2018, 21:16
Beste Robert,
Zelf heb ik de zelfde wifi bel en wil er ook graag een relais aan koppelen. Heb jij in de tussentyd dit werkend gekregen of ook nog steeds niet.
Hoor graag je reactie
Groet guido
Zelf heb ik de zelfde wifi bel en wil er ook graag een relais aan koppelen. Heb jij in de tussentyd dit werkend gekregen of ook nog steeds niet.
Hoor graag je reactie
Groet guido
-
Robert Ford
- Elite Poster

- Berichten: 1517
- Lid geworden op: 12 nov 2005, 18:54
- Uitgedeelde bedankjes: 102 keer
- Bedankt: 101 keer
Neen.... Even geen tijd hiervoor op dit moment. Ligt effe in de schuif 
Ik heb een zwaardere beltrafo besteld (24VAC 2,6 A) , maar krijg ook nog steeds hetzelfde probleem. De bel blijft rinkelen om de halfe seconde en de deurbel start niet op. Ook met de beltrafo van 1 A of 0,6A treed hetzelfde probleem op.
Ik gebruik wel de standaard oplossing die Hikvision voorsteld (dus alles in serie met de klasieke bel (24VAC)) Met of zonder de 10Ohm weerstand blijft het probleem zich voordoen. De hikvision deurbel start alleen op als ik de bel uit de serie haal en dat vervangt met de meegeleverde weerstand.
Heeft iemand hier het werkend gekregen met een mechanische bel zonder relais?
Ik gebruik wel de standaard oplossing die Hikvision voorsteld (dus alles in serie met de klasieke bel (24VAC)) Met of zonder de 10Ohm weerstand blijft het probleem zich voordoen. De hikvision deurbel start alleen op als ik de bel uit de serie haal en dat vervangt met de meegeleverde weerstand.
Heeft iemand hier het werkend gekregen met een mechanische bel zonder relais?
-
guidozwaard
- Starter

- Berichten: 2
- Lid geworden op: 22 feb 2018, 21:16
heb het werkend gehad met mechanische bel je moet wel een bel hebben die op de zelfde voeding werkt als de gebruikte trafo dus 24vac
het relais is me niet gelukt heb hierover met adiglobal gesproken en hikvision maar beide geven ze aan dit niet te doen
het relais is me niet gelukt heb hierover met adiglobal gesproken en hikvision maar beide geven ze aan dit niet te doen
-
wimpie3
- Premium Member

- Berichten: 495
- Lid geworden op: 22 dec 2004, 14:17
- Uitgedeelde bedankjes: 5 keer
- Bedankt: 54 keer
Ik heb zelf een Ring video doorbell en die werkt prima samen met mijn bestaande 24V bel. Misschien geen oplossing voor jouw probleem maar er bestaan dus wel degelijk wifi deurbellen die samen werken met een gong.
-
Robert Ford
- Elite Poster

- Berichten: 1517
- Lid geworden op: 12 nov 2005, 18:54
- Uitgedeelde bedankjes: 102 keer
- Bedankt: 101 keer
Uiteindelijk toch gekozen om een mechanische bel te implementeren.
https://livewell.honeywell.com/nl/data- ... &code=D117
Honeywell D117
https://livewell.honeywell.com/nl/data- ... &code=D117
Honeywell D117
Ik ben ook van plan om de Ring aan te schaffen, en wil deze graag aansluiten op de KAKU ACDB-7000BC.wimpie3 schreef:Ik heb zelf een Ring video doorbell en die werkt prima samen met mijn bestaande 24V bel. Misschien geen oplossing voor jouw probleem maar er bestaan dus wel degelijk wifi deurbellen die samen werken met een gong.
Dit zodat de bestaande schakelingen naar mijn Home wizard blijven.
Ik zou dus eigenlijk alleen een relais tussen de stroomdraad willen zetten, maar kan dat zomaar?
Ik heb een standaard 8v 0.5 a beltrafo in de meterkast zitten. maar kan natuurlijk ook een 12v adapter ofzo kunne aansluiten.
